VPM 600
Das VPM 600 ist ein Lüftungsgerät mit kombinierter Wärmerückgewinnung, Heiz- und Kühlfunktion. Die reversible Wärmepumpe kann die Zuluft kühlen als auch erwärmen. Die eingebaute Heatpipe erhöht sowohl die Kühl- als auch die Heizleistung und sorgt für einen guten COP.
VPM 600 dient der kontrollierten Be- und Entlüftung von Gebäuden mit Anforderungen an eine gute Luftqualität, z.B. Büros, Museen, Fitnesscenter, Restaurants, Produktionshallen etc.
Abluft und Zuluft sind getrennt und somit werden keine Partikel übertragen.
Ein hermetisch geschlossener Kältekreis und Anlieferung im betriebsbereiten Zustand, inkl. Steuerung zum einfachen Anschluss an die Stromversorgung sorgen für geringen Montageaufwand. Geringer Platzbedarf, die Möglichkeit der Innen- und Außenaufstellung sind weitere Vorteile.
Luftmenge (siehe Planungsdaten für SEL/SFP-Werte)
Min : 3500 m3/hMax : 7000 m3/h
|
LeistungLeistung eines Standardgerätes als Funktion von qv og Pt, ext. Elektroeffizienz nach EN 13053 gilt für Standardgeräte mit ISO ePM10 >60% (M5) und ISO ePM1 50% (F7) Filtern und ohne Heizregister. Achtung! SFP-Werte werden gemessen und als Gesamtwert für beide Ventilatoren angegeben. |
![]() |
HeizleistungHeizleisung als Funktion von Ablufttemperatur von 20 °C, und Volumenstrom von 6.000 m3/h.
|
![]() |
KühlleistungKühlleistung als Funktion von Ablufttemperatur von 25 °C/50% RH, Volumenstrom von 6.000 m3/h.
|
![]() |
SchalldatenSchalldaten gelten für qV = 6.000 m3/h und Pt, ext = 250 Pa nach EN 9614-2 für Oberflächen und EN 5136 für Kanäle. Der Schallleistungspegel LWA sinkt bei abnehmender Luftmenge, bzw. abnehmendem Gegendruck. Der Schalldruckpegel LpA in einem gegebenen Abstand hängt von den akustischen Bedingungen am Installationsort ab. |
![]() |
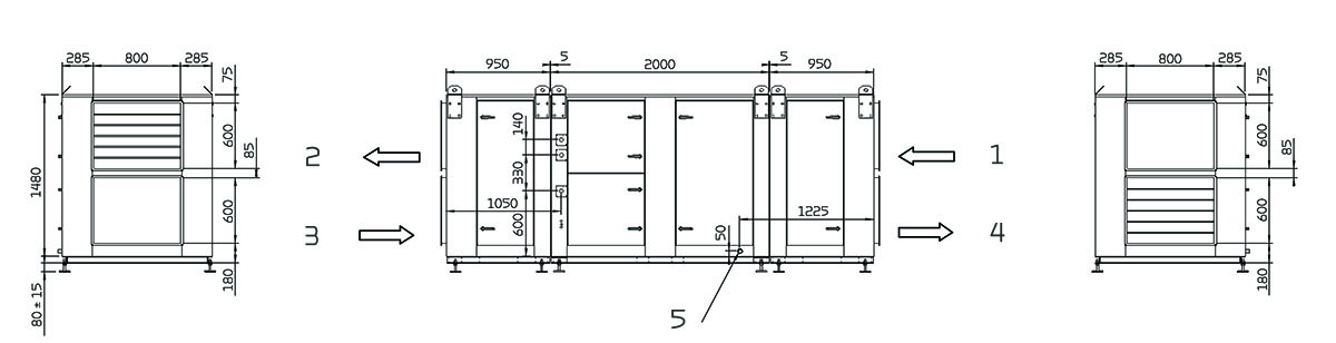
Maßskizze VPM 600:
Anschlüsse |
Die CTS602i-Steuerung ist eine umfassende und einfach zu bedienende Steuerung mit vielen Optionen. Die Steuerung wird ab Werk mit einer Grundeinstellung geliefert, die den individuellen Wünschen und Anforderungen angepasst werden kann, um ein optimales Raumklima und höchste Energieeffizienz zu erreichen. Das HMI Touch Panel bietet einen guten Überblick über den aktuellen Betrieb des Gerätes und verfügt über eine Menüstruktur, in der sowohl Benutzer als auch Installateur einfach navigieren können. Externe Kommunikation
Weitere Informationen über alle Funktionen finden Sie in der Software- und Montageanleitung des Gerätes.
|
ACHTUNG! Es wird ein guter Abstand vor dem Gerät empfohlen. Bei der Aufstellung des Geräts ist ausreichend Platz für spätere Wartungs- und Reparaturarbeiten vorzusehen. Der Filterwechsel muss einfach sein und der Austausch von Ventilatoren oder anderen Bauteilen müssen möglich sein. Es muss Platz für eine einfache Reinigung des Geräts vorhanden sein. Bei der Reinigung des Geräts kann Wasser aus dem Reinigungs- und Kondenswasserablauf austreten. Daher muss Platz für die Montage von Siphons an Kondensatabläufen vorhanden sein sowie Absperrhähne an Reinigungsabläufen.
ACHTUNG! Das Gerät ist geräusch- und vibrationsarm, wobei dennoch eventuelle Vibrationen berücksichtigt werden müssen, die sich auf Gebäudeteile übertragen können. Um Gerät und Unterlage zu trennen, empfiehlt es sich, Schwingungsdämpfer unter dem Gerät zu montieren.
|
.jpg)





